مصنوعات کی تفصیل
|
آئٹم: |
ہائی وولٹیج خودکار پاور فیکٹر درست کرنے والا |
|
Sوضاحت |
6kv، 10kv، 35kv |
|
Cرنگ: |
گرے7035 |
|
پیکنگ: |
معیاری لکڑی کے باکس کی پیکیجنگ برآمد کریں۔ |
|
شپنگ & ترسیل: |
نقل و حمل اور ترسیل: 15-25 دنوں کا پیداواری دور، سمندری اور زمینی نقل و حمل کے ذریعے پہنچایا جاتا ہے۔ |
جائزہ
ZRTBBZ قسم کا ہائی وولٹیج شنٹ کیپسیٹر ڈیوائس بنیادی طور پر کابینہ کا ڈھانچہ یا فریم ڈھانچہ ہے۔
کابینہ کی قسم کے ڈھانچے کے لئے: بہت سی کابینہ باری باری جمع ہوتی ہیں۔ کابینہ اعلیٰ معیار کی کولڈ رولڈ اسٹیل پلیٹ موڑنے والی ویلڈنگ یا ایلومینیم زنک پلیٹ موڑنے والی اسمبلنگ کا استعمال کرتی ہے۔ سامنے اور عقب میں سنگل یا ڈبل دروازے ہیں۔ اوپر، نیچے اور سائیڈ سیلنگ پلیٹوں میں وینٹیلیشن اور گرمی کی کھپت والی کھڑکیاں ہوتی ہیں۔ کیبنٹ باڈی کے اوپری حصے میں یونٹ کیبنٹ کے ریلے پروٹیکشن ڈیوائس کو ترتیب دینے کے لیے ایک انسٹرومنٹ روم کا اہتمام کیا گیا ہے۔
فریم ڈھانچہ کے لیے: گرفتاری والے بریکٹ کے ذریعے، لائن آئسولیشن سوئچ گینٹری فریم، سیریز ری ایکٹر کمپوزیشن، کپیسیٹر بینک فریم، سٹیل میش باڑ کا استعمال کرتے ہوئے پورے ڈیوائس کا دائرہ۔
ڈیوائس میں اعلی درجے کی آٹومیشن ہے، سب اسٹیشن انٹیگریٹڈ آٹومیٹک مانیٹرنگ ڈیوائس کے ساتھ مل کر غیر حاضر سب اسٹیشن کے ری ایکٹو پاور معاوضے کو حاصل کر سکتا ہے، اور اعلی وشوسنییتا ہے۔ یہ ڈیوائس بنیادی طور پر سنگل اور متوازی کپیسیٹر اجزاء پر مبنی ہے، جو سنگل کیپسیٹر پروٹیکشن فیوز، ڈسچارج کوائل، زنک آکسائیڈ آریسٹر، اور CKS ماؤتھ ڈرائی سیریز ری ایکٹر سے لیس ہے (ری ایکٹر کو آئسولیشن ڈیوائس کے طور پر استعمال کیا جا سکتا ہے)۔ یہ متوازی کپیسیٹر گروپس کے لیے خودکار کٹنگ ڈیوائسز کے طور پر قابل بھروسہ ویکیوم کانٹیکٹرز، ویکیوم بریکرز، یا سلفر ہیکسا فلورائیڈ سرکٹ بریکرز کو بھی اپ ڈیٹ اور باؤنس کیے بغیر استعمال کرتا ہے۔ بس بار کا کنکشن ٹن چڑھایا تانبے کی سلاخوں سے بنا ہے، اور اس کی ظاہری شکل اور ساخت فخر کے ساتھ ظاہر ہوتی ہے۔
معیارات کا نفاذ
GB 50227-2008 "شنٹ کیپسیٹر ڈیوائسز کے ڈیزائن کے لیے کوڈ"
JB/T7111-1993 "ہائی وولٹیج شنٹ کیپسیٹر ڈیوائس"
DL/T 604-1996 "ہائی وولٹیج شنٹ کپیسیٹر یونٹس کے آرڈر کے لیے تکنیکی حالات"
ماڈل نمبر اور اس کے معنی

بنیادی بنیادی پیرامیٹرز کی صلاحیت کے معاوضے کے آلے کے لئے معاون آلات کا انتخاب


آرڈر کرنے کی ہدایات
1. ڈیوائس کی وضاحتیں اور آرڈر کی مقدار
2. نیٹ ورک وولٹیج ہارمونکس
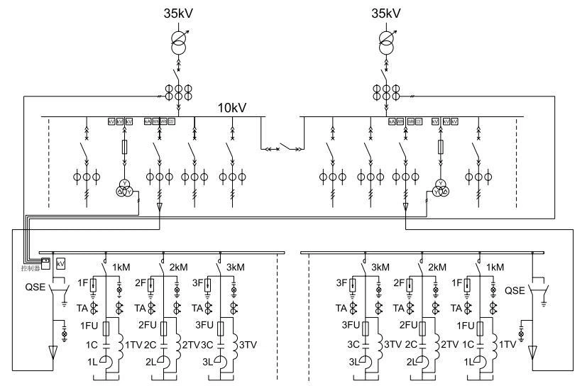
3. پرائمری سسٹم ڈایاگرام اور شارٹ سرکٹ کی صلاحیت Sd معاوضہ ڈیوائس کی تنصیب پر
4. مین پاور سپلائی ان پٹ موڈ اور ڈیوائس کی سمت
5. تنصیب کی جگہ کی اونچائی، ہوا کا درجہ حرارت اور ہوا کے ماحول کے حالات
6. ترسیل کا وقت اور نقل و حمل کا طریقہ



عمومی سوالات
ڈاؤن لوڈ، اتارنا ٹیگ: خودکار پاور فیکٹر درست کرنے والا، چین خودکار پاور فیکٹر درست کرنے والا مینوفیکچررز، سپلائرز، فیکٹری


